| Proizvajalec | Agilent |
|---|
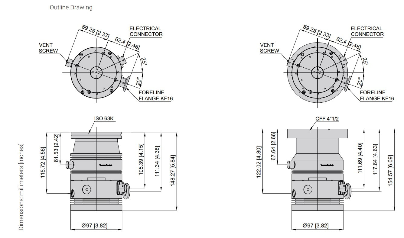
TwisTorr 74 FS
The Agilent 70 L/s turbomolecular pump, TwisTorr 74 FS, combines TwisTorr drag stage technology and Agilent Floating Suspension to provide high performance, reliability, and economy.


Loading...
Video
Brošure
Opis
This 70 L/s turbo pump delivers high vacuum performance thanks to the synergy between turbo technology and innovative TwisTorr drag stages. Floating Suspension assures low vibration and acoustical noise for compatibility with sensitive instrumentation and work environments. This small turbo pump is perfectly suited for a wide range of applications, including research and development, UHV systems, nuclear research and electron microscopy. The TwisTorr 74 FS is available with onboard or rack controllers.
Podobni izdelki
Vakuumske črpalke za masne spektrometre
ICP-MS: izmed oljnih naprav priporočamo bodisi enostopenjsko črpalko...








